 |
Складские остатки
Акция, цены могут быть снижены, звоните!










|
 Емкости. Стандартные размеры
(495) 268-01-65
info@eccentrik.ru время работы:
пнд - пт
с 8-00 до 20-00 часов
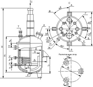
Аппараты с плоскими днищами и крышкой.
Аппараты с эллиптическими днищем и съемной эллиптической крышкой V= 0,025 - 0,63 м3
Аппараты с эллиптическими днищем и съемной эллиптической крышкой со шнековой мешалкой.
Аппараты с эллиптическими днищем и крышкой и гладкой приварной рубашкой.
Аппараты с эллиптическими днищем и крышкой.
Аппараты с плоскими днищами и крышкой.
Таблица штуцеров
| Обозначение |
Назначение |
Объем, м3 |
| 1 |
2 |
3,2 |
5 |
6,3 |
10 |
16 |
| тип корпуса |
| 80 |
90 |
| Условный проход, мм |
| А |
Для входа продукта |
100 |
150 |
200 |
200 |
200 |
200 |
250 |
| Б |
Технологический |
80 |
100 |
150 |
150 |
150 |
150 |
200 |
| В |
Для предохранит. клапана |
100 |
100 |
100 |
100 |
100 |
100 |
100 |
| Г |
Технологический |
100 |
100 |
100 |
100 |
100 |
100 |
100 |
| Е |
Резервный |
50 |
50 |
50 |
50 |
50 |
50 |
100 |
| Ж |
Для манометра |
50 |
50 |
50 |
50 |
50 |
50 |
50 |
| К |
Для входа теплоносителя |
50 |
50 |
50 |
50 |
50 |
80 |
80 |
| К1 |
Для выхода теплоносителя |
50 |
50 |
50 |
50 |
50 |
80 |
80 |
| Л |
Люк |
150 |
250 |
250 |
400 |
400 |
500 |
500 |
| П |
Для переливания продукта |
100 |
100 |
100 |
100 |
100 |
150 |
150 |
| Р |
Для выхода продукта |
100 |
100 |
100 |
100 |
100 |
150 |
150 |
Основные размеры
| Объем аппарата, м3 |
Д |
Д1 |
Д2 |
d1 |
R |
H |
H1 |
h |
h1 |
h2 |
h3 |
Масса, кг |
| 1 |
1000 |
1130 |
800 |
|
370 |
2940 |
1266 |
|
120 |
|
250 |
805 |
| 870 |
| 600 |
450 |
910 |
| 800 |
873 |
| 2 |
1400 |
1530 |
1100 |
400 |
500 |
3105 |
1266 |
|
120 |
|
250 |
1240 |
| 1270 |
| 690 |
540 |
1340 |
| 1060 |
1284 |
| 3.2 |
1600 |
1750 |
1200 |
450 |
540 |
3815 |
1560 |
|
120 |
|
320 |
1742 |
| 1817 |
| 780 |
630 |
1926 |
| 1320 |
1914 |
| 5 |
1800 |
1950 |
1400 |
630 |
620 |
4520 |
1960 |
|
120 |
|
400 |
2017 |
| 2373 |
| 780 |
630 |
2482 |
| 1500 |
2190 |
| 6.3 |
1800 |
1950 |
1400 |
630 |
620 |
5133 |
2560 |
|
120 |
|
500 |
2228 |
| 2563 |
| 780 |
630 |
2775 |
| 1500 |
2412 |
| 10 |
2200 |
2360 |
1800 |
710 |
800 |
5480 |
2600 |
630 |
150 |
|
520 |
3105 |
| 3555 |
| 1080 |
3821 |
| 1800 |
3512 |
| 16 |
2400 |
2560 |
1900 |
710 |
850 |
6480 |
3615 |
945 |
180 |
|
720 |
4150 |
| 4420 |
| 945 |
4545 |
| 2000 |
4570 |
Аппараты с эллиптическими днищем и съемной эллиптической крышкой V= 0,025 - 0,63 м3.
Расположение опор и штуцеров
| V 0.025 : 0.25 M3 |
V 0.4 : 0.63 M3 |
 |
 |
Таблица штуцеров
| Обозначение |
Назначение |
Объем, м3 |
| 0,025 |
0,04 |
0,063 |
0,1 |
0,16 |
0,25 |
0,4 |
0,63 |
| Условный проход, мм |
| А |
Вход продукта |
25 |
40 |
| Б |
Технологический |
- |
65 |
| В |
Технологический |
- |
80 |
| Г |
Резервный |
25 |
40 |
65 |
| Е |
Для монометра |
- |
М20х1,5 |
| Ж |
Для термометра |
25 |
М33х2 |
| З |
Для предохранительного клапана |
- |
М36х2 |
| И |
Вход теплоносителя |
20 |
40 |
| К |
Выход теплоносителя |
20 |
40 |
| Л |
Выход продукта |
50 |
80 |
| М |
Люк |
- |
100 |
Тип мешалки
| Объем аппарата м3 |
Тип мешалки |
| 01 |
10 |
| Мощность кВт |
Число оборотов/мин |
Мощность кВт |
Число оборотов/мин |
| 0,025* |
0,75 |
355 |
0,75 |
56 |
| 0,04* |
| 0,063 |
| 0,10 |
| 0,16 |
| 0,25 |
3 |
250 |
| 0,40 |
| 0,63 |
* Аппараты V=0,025 м3, V=0,04 м3 с плоской съемной крышкой.
Основные размеры
| Объем аппарата, м3 |
Д |
Д1 |
Д2 |
Д3 |
Д4 |
d |
d1 |
d2 |
H |
H1 |
H2 |
H3 |
h |
h1 |
L |
L1 |
I |
Масса, кг |
| 0,025 |
300 |
350 |
270 |
460 |
502 |
25 |
- |
125 |
1495 |
1400 |
380 |
520 |
125 |
255 |
560 |
532 |
125 |
195 |
| 220 |
- |
1585 |
1470 |
200 |
| - |
410 |
452 |
- |
125 |
1480 |
1400 |
510 |
- |
- |
482 |
- |
185 |
| 220 |
- |
1570 |
1470 |
190 |
| 0,04 |
350 |
400 |
310 |
530 |
566 |
25 |
- |
125 |
1565 |
1500 |
455 |
550 |
140 |
305 |
610 |
610 |
125 |
215 |
| 280 |
- |
1620 |
1560 |
230 |
| - |
480 |
516 |
- |
125 |
1545 |
1500 |
540 |
- |
- |
560 |
- |
200 |
| 280 |
- |
1605 |
1560 |
210 |
| 0,063 |
400 |
450 |
360 |
570 |
616 |
25 |
- |
125 |
1670 |
1620 |
455 |
665 |
105 |
350 |
770 |
660 |
130 |
250 |
| 320 |
- |
1840 |
1760 |
300 |
| - |
524 |
570 |
- |
125 |
1655 |
1620 |
650 |
- |
- |
614 |
- |
225 |
| 320 |
- |
1825 |
1760 |
275 |
| 0,1 |
450 |
570 |
616 |
25 |
- |
125 |
1970 |
1920 |
740 |
960 |
105 |
645 |
770 |
660 |
130 |
275 |
| 320 |
- |
2130 |
2080 |
335 |
| - |
524 |
570 |
- |
125 |
1955 |
1920 |
945 |
- |
- |
614 |
- |
235 |
| 320 |
- |
2115 |
2080 |
290 |
| 0,16 |
500 |
550 |
300 |
470 |
812 |
25 |
- |
125 |
2120 |
1990 |
750 |
1050 |
105 |
535 |
875 |
862 |
140 |
350 |
| 40 |
420 |
- |
2250 |
2130 |
370 |
| - |
420 |
758 |
25 |
- |
125 |
2090 |
1990 |
1020 |
- |
- |
808 |
- |
300 |
| 40 |
420 |
- |
2060 |
2130 |
320 |
| 0,25 |
700 |
750 |
500 |
670 |
1020 |
40 |
- |
200 |
2400 |
2370 |
570 |
870 |
175 |
400 |
1080 |
1070 |
150 |
520 |
| 560 |
- |
2130 |
2000 |
540 |
| - |
620 |
970 |
- |
200 |
2390 |
2370 |
860 |
- |
- |
1020 |
- |
440 |
| 560 |
- |
2120 |
2000 |
460 |
| 0,4 |
800 |
850 |
545 |
770 |
1120 |
40 |
- |
200 |
2840 |
2540 |
725 |
1200 |
220 |
455 |
1220 |
1170 |
200 |
740 |
| 630 |
- |
2510 |
2120 |
630 |
| - |
720 |
1078 |
- |
200 |
2710 |
2410 |
1065 |
- |
- |
1128 |
- |
630 |
| 630 |
- |
2660 |
2500 |
560 |
| 0,63 |
850 |
770 |
1120 |
40 |
- |
200 |
3240 |
2940 |
1125 |
1600 |
290 |
785 |
1220 |
1170 |
200 |
840 |
| 630 |
- |
2910 |
2610 |
750 |
| - |
720 |
1078 |
- |
200 |
3110 |
2960 |
1465 |
- |
- |
1128 |
- |
680 |
| 630 |
- |
3000 |
2850 |
640 |
Аппараты с эллиптическими днищем и съемной эллиптической крышкой со шнековой мешалкой.
Таблица штуцеров
| Обозначение |
Назначение |
Объем, м3 |
| Условный проход, мм |
| 3,2 |
5 |
8 |
10 |
| А |
Для загрузки сыпучих компанентов |
250 |
250 |
400 |
400 |
| Б |
Для загрузки жидких компонентов |
250 |
250 |
- |
- |
| В |
Нижний сливной штуцер |
200 |
200 |
200 |
200 |
| Г |
Для изменения температуры |
50 |
50 |
50 |
50 |
| Т |
Для отсоса паров и газов |
150 |
150 |
150 |
150 |
| Е |
Для сжатого воздуха |
50 |
50 |
150 |
150 |
| Ж |
КИП |
50 |
50 |
300 |
300 |
| З |
Для подсветки |
150 |
150 |
150 |
150 |
| И |
Резервный |
150 |
150 |
100 |
100 |
| К |
Люк |
250 |
400 |
500 |
500 |
| Л1, Л2 |
Вход теплоносителя |
50 |
50 |
50 |
50 |
| М |
Выход теплоносителя |
50 |
50 |
50 |
50 |
| Р |
Воздушник |
- |
М12х1,25 |
- |
М12х1,5 |
| П |
Для возврата композиции |
- |
- |
150 |
150 |
Основные размеры
| Объем аппарата, м3 |
d |
Д |
Д1 |
Д2 |
Д3 |
H |
H1 |
H2 |
L |
R |
Марка стали |
Масса, кг |
| 3,2 |
710 |
1050 |
2120 |
1600 |
1700 |
4310 |
- |
- |
2200 |
425 |
Вст3сп4 |
2750 |
| 4500 |
2850 |
| 5 |
800 |
1200 |
2250 |
1800 |
1900 |
4980 |
1250 |
1030 |
2370 |
500 |
12Х18Н10Т |
4500 |
| 5200 |
4600 |
| 8 |
900 |
1400 |
2844 |
2000 |
2200 |
5520 |
1750 |
1380 |
2984 |
550 |
Вс3сп4 |
5400 |
| 4500 |
5500 |
| 10 |
1000 |
1450 |
2910 |
2200 |
2400 |
5140 |
1780 |
1340 |
3040 |
600 |
09Г2С-17+ 12Х18Р10Т |
7500 |
Аппараты с эллиптическими днищем и крышкой и гладкой приварной рубашкой.
Таблица штуцеров
| Обозначение |
Назначение |
тип корпуса |
| 12 |
| Объем, м3 |
| 10 |
16 |
| Условный проход, мм |
| А |
Для входа продукта |
200 |
250 |
| Б |
Технологический |
100 |
200 |
| В |
Технологический |
100 |
200 |
| Г |
Для предохранит. клапана |
150 |
150 |
| Т |
Труба передавливания |
125/200 |
125/200 |
| Е |
Резервный |
50 |
100 |
| Ж |
Для манометра |
50 |
50 |
| И |
Для термометра |
200 |
200 |
| Л |
Люк |
500 |
500 |
| М, М1 |
Для входа теплоносителя |
80 |
80 |
| М2, М3 |
Для выхода теплоносителя |
25 |
25 |
| П |
Для переливания продукта |
150 |
150 |
| Р |
Для выхода продукта |
150 |
150 |
Основные размеры
| Объем аппарата м3 |
Д |
Д2 |
Д5 |
d1 |
R |
R1 |
H |
H1 |
h2 |
h3 |
h5 |
h6 |
Масса, кг |
| 10 |
2200 |
1450 |
2380 |
710 |
600 |
700 |
6390 |
2980 |
200 |
120 |
315 |
1430 |
4750 |
| 5145 |
| 1800 |
5426 |
| 16 |
2400 |
1600 |
2580 |
710 |
650 |
750 |
7178 |
3920 |
200 |
150 |
400 |
2219 |
6388 |
| 6639 |
| 2000 |
6949 |
Аппараты с эллиптическими днищем и крышкой.
Таблица штуцеров
| Обозначение |
Назначение |
Объем, м3 |
| 1 |
2 |
3,2 |
5 |
6,3 |
10 |
16 |
| тип корпуса |
| 00 |
10 |
| Условный проход, мм |
| А |
Для входа продукта |
100 |
150 |
200 |
200 |
200 |
200 |
250 |
| Б |
Технологический |
80 |
100 |
100 |
100 |
150 |
150 |
200 |
| В |
Технологический |
80 |
100 |
100 |
100 |
100 |
100 |
200 |
| Г |
Для предохранительного клапана |
80 |
100 |
100 |
100 |
100 |
100 |
150 |
| Т |
Труба передавливания |
50/100 |
65/100 |
80/150 |
100/150 |
50 |
50 |
125/200 |
| Е |
Резервный |
- |
50 |
50 |
50 |
50 |
50 |
100 |
| Ж |
Для манометра |
50 |
50 |
50 |
50 |
50 |
50 |
50 |
| И |
Для термометра |
100 |
100 |
150 |
150 |
150 |
200 |
200 |
| К,К1 |
Для входа и выхода теплоносителя |
50 |
50 |
50 |
50 |
50 |
80 |
80 |
| Л |
Люк |
150 |
250 |
250 |
400 |
400 |
500 |
500 |
| П |
Для переливания продукта |
100 |
100 |
100 |
100 |
100 |
150 |
150 |
| Р |
Для выхода продукта |
100 |
100 |
100 |
100 |
100 |
150 |
150 |
Основные размеры
| Объем аппарата, м3 |
Д |
Д1 |
Д2 |
Д5 |
d1 |
R |
R1 |
H |
H1 |
h1 |
h2 |
h3 |
L |
L1 |
Масса, кг |
| 1 |
1000 |
1298 |
660 |
920 |
360 |
320 |
330 |
3240 |
- |
- |
- |
230 |
1542 |
515 |
780 |
| 805 |
| 845 |
| 800 |
790 |
| 2 |
1400 |
1698 |
940 |
1260 |
400 |
400 |
450 |
3430 |
- |
- |
- |
230 |
1942 |
515 |
1155 |
| 1185 |
| 1255 |
| 1060 |
1175 |
| 3.2 |
1600 |
1894 |
1050 |
1410 |
450 |
425 |
500 |
4421 |
1922 |
- |
- |
240 |
2262 |
800 |
1640 |
| 1680 |
| 1775 |
| 1320 |
2040 |
| 5 |
1800 |
2370 |
1200 |
1610 |
710 |
540 |
580 |
4830 |
2280 |
|
|
230 |
2500 |
910 |
2690 |
| 2430 |
| 150 |
630 |
2680 |
| 1500 |
|
|
3060 |
| 6.3 |
1800 |
2370 |
1200 |
1610 |
630 |
510 |
580 |
5500 |
2780 |
|
|
230 |
2500 |
1330 |
2935
|
| 3315 |
| 150 |
630 |
3100 |
| 1500 |
|
|
3210 |
| 10 |
2200 |
2850 |
1450 |
2010 |
710 |
600 |
700 |
6542 |
2980 |
|
|
160 |
2990 |
1440 |
3559 |
| 3973 |
| 170 |
1080 |
4381 |
| 1800 |
|
|
4255 |
| 16 |
2400 |
3125 |
1600 |
2210 |
710 |
650 |
750 |
7072 |
3920 |
|
|
150 |
3285 |
2180 |
4853 |
| 5186 |
| 170 |
945 |
5456 |
| 2000 |
|
|
5210 |
 Емкости. Стандартные размеры
|
 |